0842ID/10 | Ersa
Soldering tip, pencil point, (T x L x W) 0.4 x 40 x 8.5 mm, 0842ID/10, package with 10 pieces
Order No.: 04L348
EAN: 4099891398170
MPN:
0842ID/10
This item is no longer available.
As an alternative, we recommend the following item:
Soldering tip, pencil point, Ø 8.5 mm, (T x L x W) 0.4 x 40 x 0.4 mm, 0842ID/SB
Order No.: 04L349
Manufacturer: Ersa
per pc. 20.1229 € *
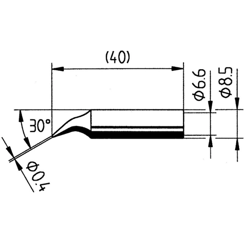
Soldering tip, 0842ID/10, Ersa
ERSADUR soldering tip for increased heat supply, for following soldering irons: ERSA 15+ (0E015CD), ERSA 25+ (0E025CD) MULTI-PRO (0930CD), PTC 70 (0710CD), MULTI-TC (0760ED), MULTI-SPRINT (0960ED), RT 80 (0890CD), BASIC TOOL 60 (0670CDJ), ERGO TOOL (0680CDJ) and POWER TOOL (0840CDJ). Pencil point, bent, 0.4 mm
Technical specifications
| Filter | Property | Value |
|---|---|---|
| Version | soldering tip | |
| Peak type | pencil point | |
| Suitable for | ERGO TOOL, POWER TOOL, ANALOG 60/60 A, ANALOG 80/80 A, DIGITAL 80 A, ELS 8000/M/D, ERSA 15+/25+/35+, MS 6000, MS 8000/D, MULTI-PRO, MULTI-SPRINT, MULTI-TC/PTC 70, RDS 80 | |
| Thickness | 0.4 mm | |
| Length | 40 mm | |
| Width | 8.5 mm |
Download
Logistics
| Property | Value |
|---|---|
| Country of origin | DE |
| Customs tariff number | 85159080 |
Compliance
| Property | Value |
|---|---|
| Date of RoHS guidelines | 3/31/15 |
| SVHC free | Yes |
| RoHS conform | Yes |