2567140000 | Weidmüller
Leiterplattenklemme, 6-polig, RM 5.08 mm, abgewinkelt, orange, 2567140000
Bestellnr.: 51P4274
EAN: 4050118608731
HTN:
2567140000
LL 5.08/06/90 4.5SN OR BX
Herstellerserien: OMNIMATE Signal - Serie LL
NCNR (nicht stornierbar / nicht retournierbar)
Einzelpreis (€ / Stk.)
2,8917 € *
Standardlieferzeit ab Hersteller beträgt: 12 Wochen
Gesamtpreis:
2,89 € *
Preisstaffel
Anzahl
Preis pro Einheit*
1 Stk.
2,8917 €
10 Stk.
2,7132 €
50 Stk.
2,5466 €
100 Stk.
2,4038 €
*inkl. MwSt. zzgl. Versandkosten
Zwischenverkauf vorbehalten
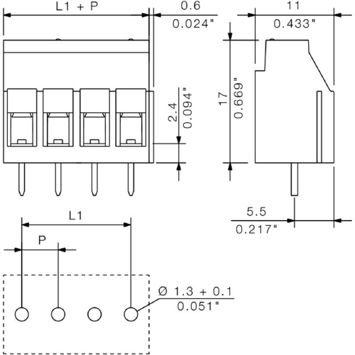
Leiterplattenklemme, 2567140000, Weidmüller
Diese Leiterplattenklemme mit bewährtem Zugbügelanschluss im Raster 5,08 mm, Leiterabgangsrichtung bietet Anschlussmöglichkeiten für 32 A und 6 mm² Leiterquerschnitt. Leiterabgangsrichtung in 90°-Ausführung.
Technische Daten
| Filter | Merkmal | Wert |
|---|---|---|
| Ausführung | Leiterplattensteckverbinder | |
| Kontaktart | Stift | |
| Polzahl | 6-polig | |
| Rastermaß | 5.08 mm | |
| Anschluss | Klemmanschluss | |
| Orientierung | abgewinkelt | |
| Kontaktoberfläche | verzinnt | |
| Nennspannung | 500 V | |
| Nennstrom | 32.5 A | |
| Bestückung | bestückt | |
| Anzahl der Reihen | 1 | |
| Farbe | orange |
Download
Logistik
| Merkmal | Wert |
|---|---|
| Ursprungsland | CN |
| Zolltarifnummer | 85369010 |
Compliance
| Merkmal | Wert |
|---|---|
| RoHS konform | Ja |
| Stand der RoHS-Richtlinie | 31.03.15 |
| SVHC frei | Nein |