1884330000 | Weidmüller
Leiterplattenklemme, 3-polig, RM 5.08 mm, abgewinkelt, grau, 1884330000
Bestellnr.: 51P4190
EAN: 4032248488810
HTN:
1884330000
PM 5.08/03/90 3.5SN GY BX
Herstellerserien: OMNIMATE SIGNAL-PM
NCNR (nicht stornierbar / nicht retournierbar)
Einzelpreis (€ / Stk.)
0,4998 € *
Standardlieferzeit ab Hersteller beträgt: 12 Wochen
Gesamtpreis:
0,50 € *
Preisstaffel
Anzahl
Preis pro Einheit*
1 Stk.
0,4998 €
10 Stk.
0,4046 €
50 Stk.
0,3689 €
100 Stk.
0,3570 €
*inkl. MwSt. zzgl. Versandkosten
Zwischenverkauf vorbehalten
Leiterplattenklemme, 1884330000, Weidmüller
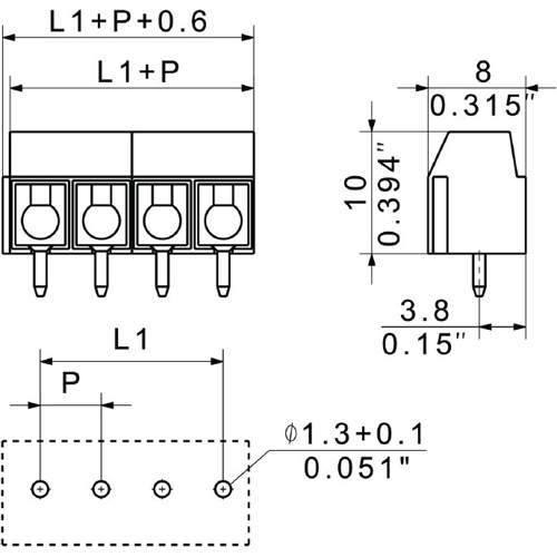
Leiterplattenklemme mit Druckbügelanschluss im Raster 5,08 mm. Leiterabgangsrichtung in 90°- Ausführung. Für Leiterquerschnitte bis 2,5 mm² geeignet.
Technische Daten
| Filter | Merkmal | Wert |
|---|---|---|
| Ausführung | Leiterplattensteckverbinder | |
| Kontaktart | Buchse | |
| Polzahl | 3-polig | |
| Rastermaß | 5.08 mm | |
| Anschluss | Klemmanschluss | |
| Orientierung | abgewinkelt | |
| Kontaktoberfläche | verzinnt | |
| Nennspannung | 250 V | |
| Nennstrom | 24 A | |
| Bestückung | bestückt | |
| Anzahl der Reihen | 1 | |
| Farbe | grau |
Download
Logistik
| Merkmal | Wert |
|---|---|
| Zolltarifnummer | 85369010 |
| Ursprungsland | CN |
Compliance
| Merkmal | Wert |
|---|---|
| RoHS konform | Ja |
| Stand der RoHS-Richtlinie | 31.03.15 |
| SVHC frei | Nein |