1595760000 | Weidmüller
Leiterplattenklemme, 2-polig, RM 5 mm, abgewinkelt, orange, 1595760000
Bestellnr.: 51P5038
EAN: 4008190190224
HTN:
1595760000
LP 5.00/02/135 4.5SN OR BX
Herstellerserien: OMNIMATE Signal - Serie LP
NCNR (nicht stornierbar / nicht retournierbar)
Einzelpreis (€ / Stk.)
1,0829 € *
Standardlieferzeit ab Hersteller beträgt: 6 Wochen
Gesamtpreis:
1,08 € *
Preisstaffel
Anzahl
Preis pro Einheit*
1 Stk.
1,0829 €
10 Stk.
1,0115 €
50 Stk.
0,9520 €
100 Stk.
0,9163 €
*inkl. MwSt. zzgl. Versandkosten
Zwischenverkauf vorbehalten
Leiterplattenklemme, 1595760000, Weidmüller
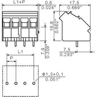
Leiterplattenklemme, 5,00 mm, Polzahl: 2, 135°, Lötstiftlänge (l): 4.5 mm, verzinnt, orange, Zugbügelanschluss, Klemmbereich, max. : 6 mm², Box.
Technische Daten
| Filter | Merkmal | Wert |
|---|---|---|
| Ausführung | Leiterplattensteckverbinder | |
| Kontaktart | Stift | |
| Polzahl | 2-polig | |
| Rastermaß | 5 mm | |
| Anschluss | Klemmanschluss | |
| Orientierung | abgewinkelt | |
| Kontaktoberfläche | verzinnt | |
| Nennspannung | 500 V | |
| Nennstrom | 32 A | |
| Bestückung | bestückt | |
| Anzahl der Reihen | 1 | |
| Farbe | orange |
Download
Logistik
| Merkmal | Wert |
|---|---|
| Ursprungsland | RO |
| Zolltarifnummer | 85369010 |
Compliance
| Merkmal | Wert |
|---|---|
| RoHS konform | Ja |
| Stand der RoHS-Richtlinie | 31.03.15 |
| SVHC frei | Nein |