1274250000 | Weidmüller

Adapter, D-Sub-Stecker, 9-polig auf M12 B-kodiert, Stift+Buchse, Pin 2 und 4 belegt, 180°, 1274250000

Bestellnr.: 50P9932
EAN: 4050118063974
HTN:
1274250000
PB-DP SUB-D M12 180 OS
Herstellerserien: PB-DP
1274250000 Weidmüller Adapter für D-Sub Steckverbinder, USB Steckverbinder, PC Steckverbinder Bild 1
1274250000 Weidmüller Adapter für D-Sub Steckverbinder, USB Steckverbinder, PC Steckverbinder Bild 2
Abbildung kann abweichen

NCNR (nicht stornierbar / nicht retournierbar)

Einzelpreis (€ / Stk.)
89,0596 € *
Verfügbar in 6 Tagen: 5 Stk. - bei Bestellung heute
Gesamtpreis:
89,06 € *
Preisstaffel
Anzahl
Preis pro Einheit*
1 Stk.
89,0596 €
5 Stk.
84,5971 €
10 Stk.
81,2175 €
*inkl. MwSt. zzgl. Versandkosten
Zwischenverkauf vorbehalten

Adapter, 1274250000, WEIDMÜLLER

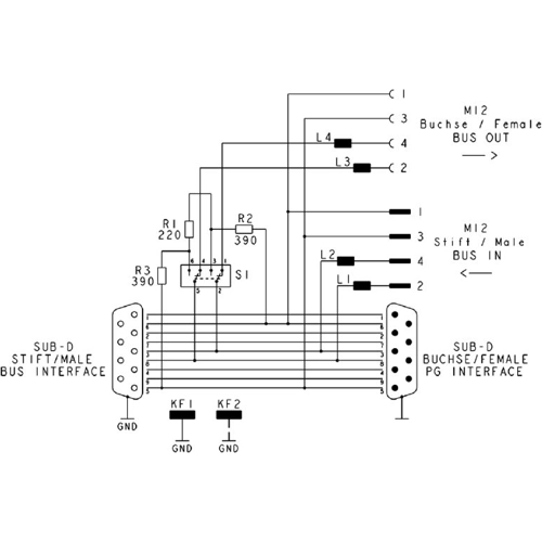
Der Busverbinder ist für das einfache und schnelle Plug and Play von Profibus-Netzkomponenten oder Profibus-Teilnehmern in Profibus-Systemen mit bis zu 12 Mbit/s konzipiert.

Features

  • Ohne Abschlußwiderstand
  • Ohne Programmierschnittstelle
  • Schutzart: IP30
Technische Daten
Filter Merkmal Wert
Ausführung Adapter
Steckverbinder D-Sub-Stecker, 9-polig
Steckverbinder (Ausgang) M12 B-kodiert, Stift+Buchse, Pin 2 und 4 belegt
Bauform 180°
Logistik
Merkmal Wert
Zolltarifnummer 85366990
Ursprungsland HU
Compliance
Merkmal Wert
Substanz Beschreibung Blei
Stand der RoHS-Richtlinie 31.03.15
SVHC frei Nein
RoHS konform Ja