1290110000 | Weidmüller
Stiftleiste, 18-polig, RM 3.5 mm, gerade, schwarz, 1290110000
Bestellnr.: 51P0435
EAN: 4050118082562
HTN:
1290110000
S2C-SMT 3.50/18/180G 3.5SN BK BX
Herstellerserien: OMNIMATE Signal - Serie B2C/S2C 3.50 - 2-reihig
NCNR (nicht stornierbar / nicht retournierbar)
Einzelpreis (€ / Stk.)
3,9865 € *
Standardlieferzeit ab Hersteller beträgt: 6 Wochen
Stiftleiste, 1290110000, Weidmüller
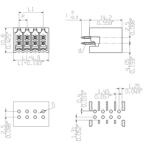
Leiterplattensteckverbinder, seitlich geschlossen, THT/THR-Lötanschluss, 3.50 mm, Polzahl: 18, 180°, 3.5 mm, verzinnt, schwarz, Box
Steckbarer Leiterplatten-Anschluss mit innovatiever Anschlusstechnologie für eine sichere und intuitive Handhabung.
Technische Daten
| Filter | Merkmal | Wert |
|---|---|---|
| Ausführung | Stiftleiste | |
| Kontaktart | Stift | |
| Polzahl | 18-polig | |
| Rastermaß | 3.5 mm | |
| Anschluss | Leiterplattenanschluss | |
| Orientierung | gerade | |
| Kontaktoberfläche | verzinnt | |
| Nennspannung | 200 V | |
| Nennstrom | 13.4 A | |
| Bestückung | bestückt | |
| Anzahl der Reihen | 2 | |
| Farbe | schwarz |
Download
Logistik
| Merkmal | Wert |
|---|---|
| Ursprungsland | DE |
| Zolltarifnummer | 85366990 |
Compliance
| Merkmal | Wert |
|---|---|
| RoHS konform | Ja |
| Stand der RoHS-Richtlinie | 31.03.15 |
| SVHC frei | Ja |