1035010000 | Weidmüller
Stiftleiste, 8-polig, RM 3.81 mm, gerade, orange, 1035010000
Bestellnr.: 50P3388
EAN: 4032248763788
HTN:
1035010000
SCDV 3.81/08/180F 3.2SN OR BX
Herstellerserien: OMNIMATE Signal - Serie BC/SC 3.81
NCNR (nicht stornierbar / nicht retournierbar)
Einzelpreis (€ / Stk.)
3,8318 € *
Standardlieferzeit ab Hersteller beträgt: 12 Wochen
Stiftleiste, 1035010000, Weidmüller
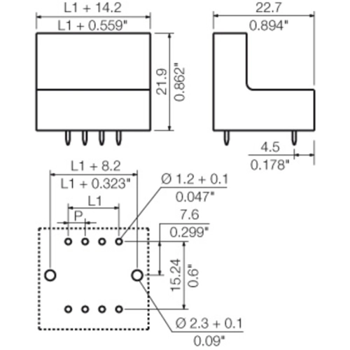
Leiterplattensteckverbinder, Flansch, THT-Lötanschluss, 3.81 mm, Polzahl: 8, 180°, 3.2 mm, verzinnt, orange, Box
Steckbarer Leiterplatten-Anschluss mit innovatiever Anschlusstechnologie für eine sichere und intuitive Handhabung.
Technische Daten
| Filter | Merkmal | Wert |
|---|---|---|
| Ausführung | Stiftleiste | |
| Kontaktart | Stift | |
| Polzahl | 8-polig | |
| Rastermaß | 3.81 mm | |
| Anschluss | Leiterplattenanschluss | |
| Orientierung | gerade | |
| Kontaktoberfläche | verzinnt | |
| Nennspannung | 320 V | |
| Nennstrom | 17.5 A | |
| Bestückung | bestückt | |
| Anzahl der Reihen | 2 | |
| Farbe | orange |
Download
Logistik
| Merkmal | Wert |
|---|---|
| Ursprungsland | CN |
| Zolltarifnummer | 85366990 |
Compliance
| Merkmal | Wert |
|---|---|
| Stand der RoHS-Richtlinie | 31.03.15 |
| Substanz Beschreibung | Blei |
| SVHC frei | Nein |
| RoHS konform | Ja |